气动截止阀
【产品用途】
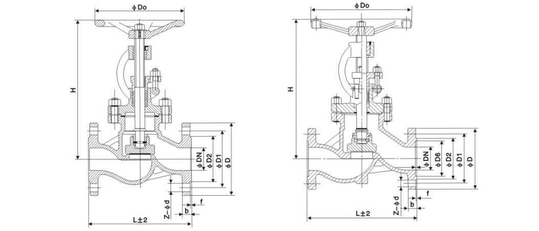
公司生产的J641H、J641Y、J641W 气动截止阀的启闭件是圆柱形的阀瓣,密封面呈平面或锥面,阀瓣沿流体的中心线作直线运动。国标截止阀只适用于全开和全关,一般不用来调节流量,定做时允许作调节和节流。
【产品特点】
1、结构简单,制造和维修比较方便
2、工作行程小,启闭时间短
3、密封性好,密封面间磨擦力小,寿命较长
满足流体控制要求的产品和服务
每个过程、每个设施以及每种环境约束都有自身的特殊要求。因此,我们提供了包含不同性能级别、压力、不同功能和不同材质的全面产品。
联系我们
资料下载








下载