您现在的位置: 首页  >  产品中心  >  截止阀系列  >  国标法兰截止阀

国标法兰截止阀

J41H、J41Y、J41W国标不锈钢截止阀的启闭件是圆柱形的阀瓣,密封面呈平面或锥面,阀瓣沿流体的中心线作直线运动。国标截止阀只适用于全开和全关,一般不用来调节流量,定做时允许作调节和节流。


【产品特点】
1、结构简单,制造和维修比较方便。
2、工作行程小,启闭时间短。
3、密封性好,密封面间磨擦力小,寿命较长。



满足流体控制要求的产品和服务

每个过程、每个设施以及每种环境约束都有自身的特殊要求。因此,东盐提供了包含不同性能级别、压力、不同功能和不同材质的全面产品。

产品详情

用途与性能规范

【执行标准】

设计规范:GB/T 12235

结构长度:GB/T 12221

法兰连接:JB/T 79

试验与检验:JB/T 9002

产品标识:GB/T 12220

供货规范:JB/T 7928


【性能参数】

型号

J41H-16C~160C

J41Y-16C~160C

J41W-16P~160P

工作压力(MPa)

1.6~16.0

适用温度(℃)

≤425

≤150

适用介质

水、蒸汽、油品

弱腐蚀性介质

材料

阀体、阀盖

碳素钢

铬镍钛不锈钢

阀杆

铬不锈钢

铬镍钛不锈钢

密封面

堆焊铁基合金

堆焊硬基合金

本体材料

填料

石棉石墨、柔性石墨、聚四氟乙烯


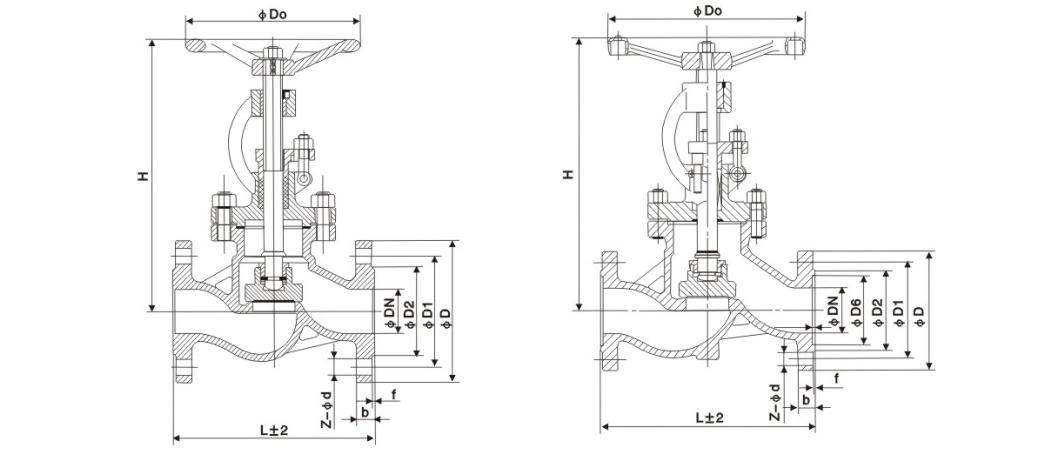
【主要外形和连接尺寸】

公称通径

主要外形尺寸和连接尺寸

L

D

D1

D2

b

Z-d

H

D0

J41H-16C

15

130

95

65

45

14-2

4-Φ14

170

120

20

150

105

75

55

14-2

4-Φ14

190

140

25

160

115

85

65

14-2

4-Φ14

205

160

32

180

135

100

78

16-2

4-Φ18

270

180

40

200

145

110

85

16-3

4-Φ18

310

200

50

230

160

125

100

16-3

4-Φ18

358

240

65

290

180

145

120

18-3

4-Φ18

373

240

80

310

195

160

135

20-3

8-Φ18

435

280

100

350

215

180

155

20-3

8-Φ18

500

300

125

400

245

210

185

22-3

8-Φ18

614

320

150

480

280

240

210

24-3

8-Φ23

674

360

200

600

335

295

265

26-3

12-Φ23

811

400

250

650

405

355

320

30-3

12-Φ25

969

450

300

750

460

410

375

30-3

12-Φ25

1145

580

350

850

520

470

435

34-4

16-Φ25

1280

640

400

980

580

525

485

36-4

16-Φ30

1452

640

J41H-25C

15

130

95

65

45

16-2

4-Φ14

170

120

20

150

105

75

55

16-2

4-Φ14

190

140

25

160

115

85

65

16-2

4-Φ14

205

160

32

180

135

100

78

18-2

4-Φ18

270

180

40

200

145

110

85

18-3

4-Φ18

310

200

50

230

160

125

100

20-3

4-Φ18

358

240

65

290

180

145

120

22-3

8-Φ18

373

240

80

310

195

160

135

22-3

8-Φ18

435

280

100

350

230

190

160

24-3

8-Φ23

500

300

125

400

270

220

188

28-3

8-Φ25

614

320

150

480

300

250

218

30-3

8-Φ25

674

360

200

600

360

310

278

34-3

12-Φ25

811

400

250

650

425

370

332

36-3

12-Φ30

969

450

300

750

485

430

390

40-4

16-Φ30

1145

580

350

850

550

490

448

44-4

16-Φ34

1280

640

400

980

610

550

505

48-4

16-Φ34

1452

640


【结构图片】

国标截止阀.jpg

产品应用范围

这些设备适合应用于准确控制气体、液体、蒸汽等介质,工艺参数如压力、流量、温度、液位保持在给定值。特别适用于允许压差小,而允许泄漏量也较小压差不大的工作场合。

相关产品
首页
产品
联系