美标法兰止回阀
我公司生产的美标止回阀,完全按照美国标准设计制造,结构美观、先进。
美标止回阀是指依靠介质本身流动而自动开、闭阀瓣,用来防止介质倒流的阀门,又称逆止阀、单向阀、逆流阀,其主要作用是防止介质倒流、防止泵及驱动电动机反转,以及容器介质的泄放。
满足流体控制要求的产品和服务
每个过程、每个设施以及每种环境约束都有自身的特殊要求。因此,我们提供了包含不同性能级别、压力、不同功能和不同材质的全面产品。
【性能参数】
序号 | 项目名称 | 参数 | |||||
1 | 公称压力PN(MPa) | 150LB | 300LB | 600LB | 900LB | 1500LB | 2500LB |
2.0 | 5.0 | 10.0 | 15.0 | 25.0 | 42.0 | ||
2 | 壳体强度试验压力 | 常温下公称压力的1.5倍 | |||||
3 | 高压密封试验压力 | 常温下公称压力的1.1倍 | |||||
4 | 常温下工作压力 | 按ASME B16.34 压力温度额定值 | |||||
【产品规范】
设计标准 | 结构长度 | 法兰连接尺寸 | 试验与检验 | 压力与温度基准 |
API6D/ASME B16.34 | ASME B16.10 | ASME B16.5 | API598/API6D | ASME B16.34 |
【主要零件材料】
零件名称 | 材料名称 | |||||
阀体 | A216 WCB | A217 WC6 | A351 CF8 | A351 CF8M | A351 CF3 | A351 CF3M |
阀盖 | A216 WCB | A217 WC6 | A351 CF8 | A351 CF8M | A351 CF3 | A351 CF3M |
阀板 | A216 WCB | A217 WC6 | A351 CF8 | A351 CF8M | A351 CF3 | A351 CF3M |
密封面 | 13Cr/STL | STL | 本体/STL | 本体/STL | 本体/STL | 本体/STL |
阀轴 | A182 F6a | A182 F11 | A182 F304 | A182 F316 | A182 F304L | A182 F316L |
垫片 | 柔性石墨 | 柔性石墨 | 柔性石墨 | 柔性石墨 | 柔性石墨 | 柔性石墨 |
螺栓 | A193 B7 | A193 B16 | A193 B8 | A193 B8M | A193 B8 | A193 B8M |
螺母 | A194 2H | A194 4 | A194 8 | A194 8M | A194 8 | A194 8M |
使用温度 | -29~425℃ | -29~540℃ | -46~425℃ | -46~425℃ | -46~425℃ | -46~425℃ |
适用介质 | 水、蒸汽 | 水、蒸汽 | 弱腐蚀性 | 弱腐蚀性 | 弱腐蚀性 | 弱腐蚀性 |
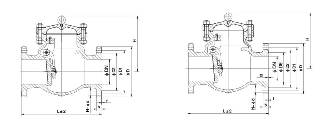
【主要外形和连接尺寸】
公称通径 | 尺寸 | ||||||||
m | in | L | D | D1 | D2 | b | f | n-Φd | H |
H44H-150Lb | |||||||||
50 | 2 | 203 | 152 | 120.5 | 92 | 16 | 1.6 | 4-19 | 180 |
80 | 3 | 241 | 192 | 152.5 | 127 | 19 | 1.6 | 4-19 | 190 |
100 | 4 | 297 | 229 | 190.5 | 157 | 24 | 1.6 | 8-19 | 203 |
125 | 5 | 330 | 254 | 216 | 186 | 24 | 1.6 | 8-22 | 229 |
150 | 6 | 356 | 279 | 241.5 | 216 | 26 | 1.6 | 8-22 | 257 |
200 | 8 | 495 | 342 | 298.5 | 270 | 29 | 1.6 | 8-22 | 292 |
250 | 10 | 622 | 406 | 362 | 324 | 31 | 1.6 | 12-25 | 355 |
300 | 12 | 698 | 483 | 432 | 381 | 32 | 1.6 | 12-25 | 396 |
H44H-300Lb | |||||||||
50 | 2 | 267 | 165 | 127 | 92 | 23 | 1.6 | 8-19 | 178 |
80 | 3 | 318 | 210 | 168.5 | 127 | 29 | 1.6 | 8-22 | 216 |
100 | 4 | 356 | 254 | 200 | 157 | 32 | 1.6 | 8-22 | 241 |
125 | 5 | 400 | 279 | 235 | 186 | 35 | 1.6 | 8-22 | 267 |
150 | 6 | 444 | 318 | 270 | 216 | 37 | 1.6 | 12-22 | 305 |
200 | 8 | 533 | 381 | 330 | 270 | 42 | 1.6 | 12-25 | 368 |
250 | 10 | 622 | 445 | 387 | 324 | 48 | 1.6 | 16-29 | 394 |
300 | 12 | 711 | 521 | 451 | 381 | 51 | 1.6 | 16-32 | 445 |
H44H-600Lb | |||||||||
50 | 2 | 295 | 165 | 127 | 92 | 33 | 6.4 | 8-19 | 203 |
80 | 3 | 359 | 210 | 168 | 127 | 36 | 6.4 | 8-22 | 235 |
100 | 4 | 435 | 273 | 216 | 157 | 45 | 6.4 | 8-25 | 286 |
125 | 5 | 511 | 330 | 266.5 | 186 | 52 | 6.4 | 8-29 | 292 |
150 | 6 | 562 | 356 | 292 | 216 | 55 | 6.4 | 12-29 | 330 |
200 | 8 | 664 | 419 | 349 | 270 | 63 | 6.4 | 12-32 | 381 |
250 | 10 | 791 | 510 | 432 | 324 | 71 | 6.4 | 16-35 | 457 |
300 | 12 | 842 | 559 | 489 | 381 | 74 | 6.4 | 20-35 | 584 |
【结构图片】

这些设备适合应用于准确控制气体、液体、蒸汽等介质,工艺参数如压力、流量、温度、液位保持在给定值。特别适用于允许压差小,而允许泄漏量也较小压差不大的工作场合。