国标升降式止回阀
【产品用途】
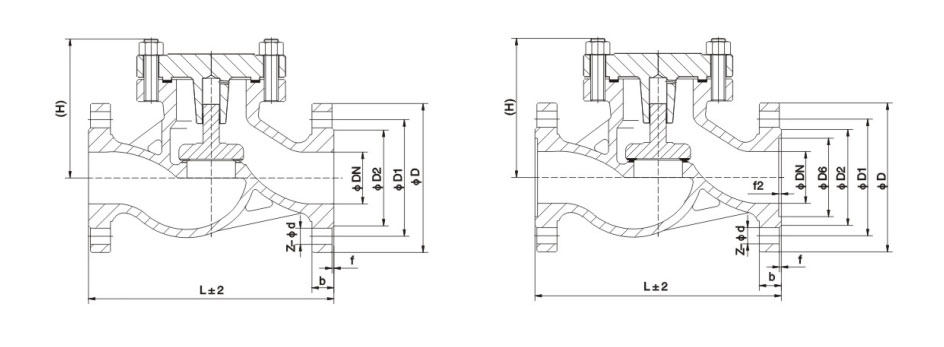
H41H、H41Y 型 PN16~PN100 升降式止回阀是生产过程调节系统中的重要环节之一,是控制管道内介质单向流向的阀门,阻止介质倒流。
【产品特点】
1、H41H、H41Y 型升降式止回阀具有结构简单,动作可靠,维修方便等优点,广泛应用于净化设备、石油、化工、冶金、电力、轻纺等生产过程中
2、当介质由阀体箭头所示流向进入阀体,介质的压力作用在阀瓣上产生向上的推力,当介质推力大于阀瓣重力时,阀门打开。当阀后介质压力作用在阀瓣上的力加上阀瓣自身重力大于阀前压力作用在阀瓣上的力时,阀门关闭,阻止介质倒流
满足流体控制要求的产品和服务
每个过程、每个设施以及每种环境约束都有自身的特殊要求。因此,我们提供了包含不同性能级别、压力、不同功能和不同材质的全面产品。
联系我们
资料下载








下载