手动法兰蝶阀
D43H 、D43W型三偏心多层次硬密封蝶阀广泛地应用到冶金、电力、石油、化工、空气、煤气、可燃气体以及给排水等腐蚀性介质的管道上。
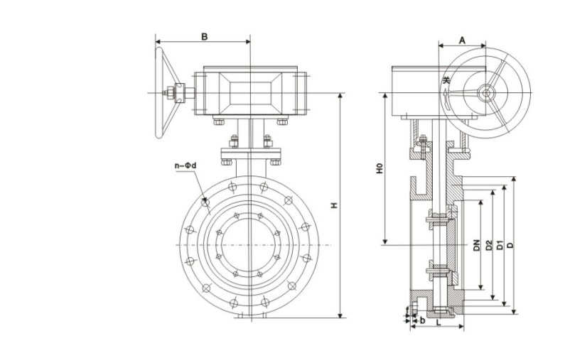
【结构特点】
1、硬密封蝶阀采用三偏心硬密封结构,阀座与蝶板几乎无磨损,具有越观越紧的密封功能。
2、密封圈选用不锈钢制作,具有金属硬密封和弹性密封的双重优点,无论在低温和高温的情况下,均具有优良的密封性能,具有耐腐蚀,使用寿命长等特点。
3、蝶板密封面采用堆焊钴基硬质合金,密封面耐磨损,使用寿命长。
4、大规格蝶板采用绗架结构,强度高,过流面积大,流阻小。
5、根据用户需求,阀门供应网的硬密封蝶阀可以设计成具有双向密封功能,安装时不受介质流向的限制,也不受空间位置的影响,可在任何方向安装。
6、驱动装置可以多工位(旋转90°或180°)安装,便于用户使用。
满足流体控制要求的产品和服务
每个过程、每个设施以及每种环境约束都有自身的特殊要求。因此,我们提供了包含不同性能级别、压力、不同功能和不同材质的全面产品。
联系我们
资料下载








下载